泵的知識 PUMP KNOWLEDGE
行業(yè)新聞
您當前位置:網(wǎng)站首頁 >> 泵的知識 >> 詳情內容
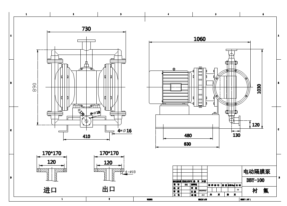
DBY-100立式臥式襯氟電動隔膜泵安裝尺寸區(qū)別
時間:2014/10/11 來源:浙江揚子江泵業(yè)有限公司
DBY-100立式襯氟電動隔膜泵安裝尺寸圖:

DBY-100臥式襯氟電動隔膜泵安裝尺寸圖:

DBY-F型襯氟電動隔膜泵新型的容積式結構泵,其工作原理是電動機通過變速齒輪箱帶動偏心輪擠壓隔膜而達到改變隔膜腔的容積來將介質輸送出去。該泵集雜質泵,螺桿泵、自吸泵、泥漿泵、屏蔽泵的優(yōu)點于一身,廣泛的應用了石化、涂裝、電鍍、廢水處理、化工等行業(yè),獲得用戶的一致好評。DBY-F型襯氟電動隔膜泵是揚子江泵業(yè)技術人員應廣大客戶要求,在DBY型電動隔膜泵的基礎上進行材質改良,其泵體外殼采用優(yōu)質鑄鋼,具有良好的物理性能,內襯部分采用有塑料之王美稱的聚全氟代乙丙烯(氟特龍),具有耐強酸性,耐強堿性,抗強氧化型,無毒害,對輸送介質不粘貼,可輸送除熔融金屬鈉及液氟之外的所有腐蝕性介質。自投放市場以來深收化工、石化、煉油、氯堿、制酸、磷肥、制藥、農藥、化纖、染化、焦化、煤氣、有機合成、有色冶煉、鋼鐵、原子能等行業(yè)用戶青睞!
感謝您訪問我們揚子江泵業(yè)的網(wǎng)站www.9-13.cn,如有任何水泵疑問我們一定會盡心盡力為您提供優(yōu)質的服務。
- 下一篇:防止自吸泵抽空的方法
- 上一篇:水泵控制柜啟動方式測控方式說明











